Product Summary
The VI-B64-02 is a Battery Charger Current Source Module.
Parametrics
VI-B64-02 absolute maximum ratings: (1)Nominal Input Voltage: 48Vdc to 150Vdc; (2)Output Current: 0 to 14.5A; (3)Current Control Input: 1V to 5V; (4)Current Monitor Output: 1V to 5V; (5)Voltage Control Input: 0V to 2.5V; (6)Operating Temp./Storage Temperature: -25℃ to +85℃, -40℃ to +100℃.
Features
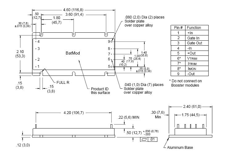
VI-B64-02 features: (1)Programmable Output Current; (2)Booster Versions Available; (3)Size: 4.6" x 2.4" x 0.5" (116,8 x 61,0 x 12,7); (4)UL, CSA, TUV; (5)Compatible with All Major Battery Types; (6)Inputs: 48, 150, 300Vdc; (7)Outputs: 12, 24, 48Vdc Nom.; (8)Analog Current Monitor; (9)Analog Overvoltage Adjust; (10)CE Marked.
Diagrams

![]() |
![]() VI-B00-CX |
![]() |
![]() CONVERTER MOD DC/DC 5V 75W |
![]() Data Sheet |
![]()
|
|
||||||
![]() |
![]() VI-B00-CX-B1 |
![]() |
![]() CONVERTER MOD DC/DC 5V 75W |
![]() Data Sheet |
![]()
|
|
||||||
![]() |
![]() VI-B00-CX-F1 |
![]() |
![]() CONVERTER MOD DC/DC 5V 75W |
![]() Data Sheet |
![]()
|
|
||||||
![]() |
![]() VI-B00-MY-F2 |
![]() |
![]() CONVERTER MOD DC/DC 5V 50W |
![]() Data Sheet |
![]()
|
|
||||||
![]() |
![]() VI-B01-CX-F4 |
![]() |
![]() CONVERTER MOD DC/DC 12V 75W |
![]() Data Sheet |
![]()
|
|
||||||
![]() |
![]() VI-B01-IX-F2 |
![]() |
![]() CONVERTER MOD DC/DC 12V 75W |
![]() Data Sheet |
![]()
|
|
||||||
(China (Mainland))








