Product Summary
The PIC18F2525-I/SP is a 28-Pin Enhanced Flash Microcontroller with 10-Bit A/D and nanoWatt Technology.
Parametrics
PIC18F2525-I/SP absolute maximum ratings: (1)Ambient temperature under bias: -40 to +125℃; (2)Storage temperature: -65 to +150℃; (3)Voltage on any pin with respect to VSS (except VDD and MCLR): -0.3V to (VDD + 0.3V); (4)Voltage on VDD with respect to VSS: -0.3V to +7.5V; (5)Voltage on MCLR with respect to VSS: 0V to +13.25V; (6)Total power dissipation: 1.0W; (7)Maximum current out of VSS pin: 300 mA; (8)Maximum current into VDD pin: 250 mA; (9)Input clamp current, IIK (VI < 0 or VI > VDD): ±20 mA; (10)Output clamp current, IOK (VO < 0 or VO > VDD): ±20 mA; (11)Maximum output current sunk by any I/O pin: 25 mA; (12)Maximum output current sourced by any I/O pin: 25 mA; (13)Maximum current sunk by all ports: 200mA; (14)Maximum current sourced by all ports: 200 mA.
Features
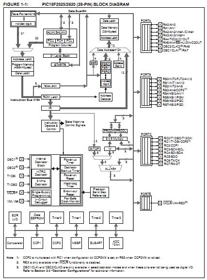
PIC18F2525-I/SP features: (1)Run: CPU on, peripherals on; (2)Idle: CPU off, peripherals on; (3)Sleep: CPU off, peripherals off; (4)Idle mode currents down to 2.5 μA typical; (5)Sleep mode current down to 100 nA typical; (6)Timer1 Oscillator: 1.8 μA, 32 kHz, 2V; (7)Watchdog Timer: 1.4 μA, 2V typical; (8)Two-Speed Oscillator Start-up; (9)Four Crystal modes, up to 40 MHz; (10)4x Phase Lock Loop (PLL) – available for crystal and internal oscillators); (11)Two External RC modes, up to 4 MHz; (12)Two External Clock modes, up to 40 MHz; (13)Internal oscillator block: 8 user selectable frequencies, from 31 kHz to 8MHz; Provides a complete range of clock speeds from 31 kHz to 32 MHz when used with PLL; User tunable to compensate for frequency drift; (14)Secondary oscillator using Timer1 @ 32 kHz; (15)Fail-Safe Clock Monitor; (16)Allows for safe shutdown if peripheral clock stops; (17)High-current sink/source 25 mA/25 mA; (18)Three programmable external interrupts; (19)Four input change interrupts; (20)Up to 2 Capture/Compare/PWM (CCP) modules, one with Auto-Shutdown (28-pin devices); (21)Enhanced Capture/Compare/PWM (ECCP) module (40/44-pin devices only): One, two or four PWM outputs; Selectable polarity; Programmable dead time; Auto-Shutdown and Auto-Restart.
Diagrams

| Image | Part No | Mfg | Description | ![]() |
Pricing (USD) |
Quantity | ||||||||||||
|---|---|---|---|---|---|---|---|---|---|---|---|---|---|---|---|---|---|---|
![]() |
![]() PIC18F2525-I/SP |
![]() Microchip Technology |
![]() 8-bit Microcontrollers (MCU) 48KB 3968 RAM 25 I/O |
![]() Data Sheet |
![]()
|
|
||||||||||||
| Image | Part No | Mfg | Description | ![]() |
Pricing (USD) |
Quantity | ||||||||||||
![]() |
![]() PIC1018SCL |
![]() Other |
![]() |
![]() Data Sheet |
![]() Negotiable |
|
||||||||||||
![]() |
![]() PIC10F200 |
![]() Other |
![]() |
![]() Data Sheet |
![]() Negotiable |
|
||||||||||||
![]() |
![]() PIC10F200-E/MC |
![]() Microchip Technology |
![]() 8-bit Microcontrollers (MCU) 384B Flash16B RAM 4 I/O |
![]() Data Sheet |
![]()
|
|
||||||||||||
![]() |
![]() PIC10F200-E/OT |
![]() Other |
![]() |
![]() Data Sheet |
![]() Negotiable |
|
||||||||||||
![]() |
![]() PIC10F200-E/P |
![]() Microchip Technology |
![]() 8-bit Microcontrollers (MCU) U 579-PIC10F200-I/P |
![]() Data Sheet |
![]() Negotiable |
|
||||||||||||
![]() |
![]() PIC10F200-I/MC |
![]() Microchip Technology |
![]() 8-bit Microcontrollers (MCU) 0.375KB Fl 16B RAM |
![]() Data Sheet |
![]()
|
|
||||||||||||
(China (Mainland))










