Product Summary
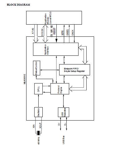
The L6085IE is a general purpose Universal Serial Bus (USB) device controller. The L6085IE provides a USB interface, control/status block, application interface, and FIFOs. The FIFO interface and two types of transfer have been optimized for BulkOut devices such as printers and BulkIn devices such as digital still cameras and image scanners. In addition, Mass Storage devices are also applicable to the L6085IE.
Parametrics
L6085IE absolute maximum ratings: (1)Power Supply 3:–0.3 to +4.6 V; (2)Power Supply 5: –0.5 to +6.5 V; (3)Input Voltage: –0.3 to VCC5 + 0.3 V; (4)Storage Temperature: –55 to +150 ℃.
Features
L6085IE features: (1)USB 2.0 compliant; (2)Built-in USB transceiver circuit; (3)Full-speed (12 Mb/sec) support; (4)Supports printer device class, image device class, and Mass Storage device class; (5)Supports three types of transfer; control transfer, bulk transfer, and interrupt transfer; (6)Built-in FIFOs for control transfer Two 8-byte FIFOs (one for receive FIFO and the other for transmit FIFO); (7)Built-in FIFOs for bulk transfer (available for either receive FIFO or transmit FIFO) One 64-byte FIFO Two 64-byte FIFOs; (8)Built-in FIFO for interrupt transfer One 8-byte FIFO; (9)Supports one control endpoint, two bulk endpoint addresses, and one interrupt endpoint address; (10)Two 64-byte FIFOs enable fast BulkOut transfer and BulkIn transfer; (11)Supports 8 bit/16 bit DMA transfer; (12)Supports protocol stall; (13)VCC is 3.0 to 3.6 V; (14)Supporting dual power supply enables 5 V application interface; (15)Built-in 48 MHz oscillator circuit; (16)Package options: 44-pin plastic QFP, 44-pin plastic TQFP.
Diagrams

(China (Mainland))






