Product Summary
The TTB6C110N12KOF is a Phase Control Thyristor Module.
Parametrics
TTB6C110N12KOF absolute maximum ratings: (1)repetitive peak forward off-state and reverse voltages: 1600 V; (2)non-repetitive peak forward off-state voltage: 1600 V; (3)non-repetitive peak reverse voltage, VRSM: 1600 V; (4)RMS on-state current (per chip), ITRMSM: 100A; (5)surge current, ITSM: 870 to 1000A; (6)I2t-value: 3780 to 5000 A2s; (7)critical rate of rise of on-state current: 120 A/μS; (8)critical rate of rise of off-state voltage: 1000V/μS.
Features
TTB6C110N12KOF features: (1)on-state voltage, Tvj = Tvj max, iT = 150A vT: max. 1. 81V; (2)threshold voltage, Tvj = Tvj max V(TO): 0.95 V; (3)slope resistance Tvj =Tvj max rT: 4.3 mΩ; (4)gate trigger current Tvj = 25℃, vD = 6V IGT: max. 150 mA; (5)gate trigger voltage Tvj = 25℃, vD = 6V VGT: max. 2.5 V; (6)gate non-trigger current Tvj = Tvj max, vD = 6V IGD: max. 5.0 mA; Tvj = Tvj max, vD = 0,5 VDRM: max. 2,5 mA; (7)gate non-trigger voltage Tvj = Tvj max, vD = 0,5 VDRM VGD: max. 0.2 V; (8)holding current Tvj = 25℃, vD = 6V, RA = 5Ω IH: max. 200 mA; (9)Einraststrom Tvj = 25℃, vD = 6V, RGK≥ 20Ω IL: max. 600 mA; (10)latching current iGM = 0,6A, diG/dt = 0,6A/μs, tg = 10μs, IL: 600mA; (11)forward off-state and reverse currents, Tvj = Tvj max iD, iR: max. 10 mA.
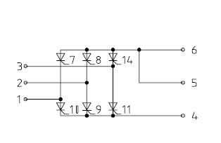
Diagrams

![]() |
![]() TTB6C135N12LOF |
![]() Infineon Technologies |
![]() Discrete Semiconductor Modules 1200V 100A FL-CNTL |
![]() Data Sheet |
![]() Negotiable |
|
||||||||
![]() |
![]() TTB6C135N16LOF |
![]() Infineon Technologies |
![]() Discrete Semiconductor Modules 1600V 100A FL-CNTL |
![]() Data Sheet |
![]()
|
|
||||||||
![]() |
![]() TTB6C165N16LOF |
![]() Infineon Technologies |
![]() Discrete Semiconductor Modules 1600V 120A FL-CNTL |
![]() Data Sheet |
![]()
|
|
||||||||
![]() |
![]() TTB6C95N12LOF |
![]() Infineon Technologies |
![]() Discrete Semiconductor Modules 1200V 75A FL-CNTL |
![]() Data Sheet |
![]() Negotiable |
|
||||||||
![]() |
![]() TTB6C95N16LOF |
![]() Infineon Technologies |
![]() Discrete Semiconductor Modules 1600V 75A FL-CNTL |
![]() Data Sheet |
![]()
|
|
||||||||
![]() |
![]() TTB6C165N12LOF |
![]() Infineon Technologies |
![]() Discrete Semiconductor Modules 1200V 120A FL-CNTL |
![]() Data Sheet |
![]()
|
|
||||||||
(China (Mainland))









