Product Summary
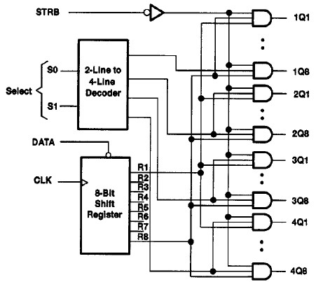
The SN755882 is an ac plasma display driver. The SN755882 is monolithic BIDFETt integrated circuits designed to perform the line-select operation of a matrix-addressable display. The device inputs are diode-clamped CMOS inputs. The outputs of the SN755882 is normally low and can be selectively switched high when the strobe input is low. Selection of the outputs is achieved through the data SO and S1 inputs. The 8-bit data stored internally in the serial register is inverted and sent to one of four output sections by the 2-line to 4-line decoder. All other outputs of the SN755882 remain low. Internal circuits provide a high-current pulse to the level-shifting circuit during positive output transitions. When the output transition is complete, the low steady-state current reduces the circuit’s standby power consumption. All outputs of the SN755882 contain clamp diodes to the Vcc2 and GND supply inputs.
Parametrics
SN755882 absolute maximum ratings: (1)Supply voltage, Vcc2: 100 V; (2)Input voltage: Vcc1 + 0.3V; (3)Continuous total power dissipation: See Dissipation Rating Table; (4)Storage temperature range: -65℃ to 150℃; (5)Lead temperature 1,6 mm (1/16 inch)from case for 60 seconds: J package: 300℃; (6)Lead temperature 1,6 mm (1/16 inch)from case for 10 seconds: N package: 260℃; (7)Case temperature for 60 seconds: FD or FJ package: 260℃; (8)Case temperature for 10 seconds: FN package: 260℃.
Features
SN755882 features: (1)Controls 32 Electrodes; (2)100-V Totem-Pole Outputs; (3)Low Standby Power Consumption; (4)All Outputs Contain Sink and Source Clamp Diodes; (5)15-mA Steady-State Output Current; (6)Rugged DMOS Outputs; (7)CMOS Inputs; (8)Direct Replacement for SN55500D and SN75500A.
Diagrams

![]() |
![]() SN75061 |
![]() Other |
![]() |
![]() Data Sheet |
![]() Negotiable |
|
||||||||||||
![]() |
![]() SN75076B |
![]() Other |
![]() |
![]() Data Sheet |
![]() Negotiable |
|
||||||||||||
![]() |
![]() SN75107A |
![]() Other |
![]() |
![]() Data Sheet |
![]() Negotiable |
|
||||||||||||
![]() |
![]() SN75107AD |
![]() Texas Instruments |
![]() Bus Receivers Dual Line |
![]() Data Sheet |
![]()
|
|
||||||||||||
![]() |
![]() SN75107ADE4 |
![]() Texas Instruments |
![]() Buffers & Line Drivers DUAL LINE RECEIVER |
![]() Data Sheet |
![]()
|
|
||||||||||||
![]() |
![]() SN75107ADG4 |
![]() Texas Instruments |
![]() Buffers & Line Drivers Dual Line Receiver |
![]() Data Sheet |
![]()
|
|
||||||||||||
(China (Mainland))









