Product Summary
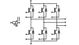
The SKIIP25AC126V1 is a 3-phase bridge inverter. The applications of the SKIIP25AC126V1 include inverter and motor motor power.
Parametrics
SKIIP25AC126V1 absolute maximum ratings: (1)VCES: 1200V; (2)On the conditions of Ts=25(70)℃, IC: 73(55)A; (3)On the conditions of tp≤1ms,ICRM: 100A; (4)VGES: ±20V; (5)Tj: -40~+150℃; (6)If: 62(46)A; (7)On the conditions of Ts=70℃, IFRM: 100A; (8)VRRM: 1600V; (9)On the conditions of tp=10ms, sin 180°, Tj=25℃, i2t: 240A2s; (10)Itrms: 100A; (11)Tstg: -40 to 125℃; (12)Visol: 2500V.
Features
SKIIP25AC126V1 features: (1)Trench IGBTs; (2)Robust and soft freewheeling diodes in CAL technology; (3)Highly reliable spring contacts for electrical connections.
Diagrams

![]() |
![]() SKiiP 01AC066V1 |
![]() Other |
![]() |
![]() Data Sheet |
![]() Negotiable |
|
||||
![]() |
![]() SKiiP 01NAC066V1 |
![]() Other |
![]() |
![]() Data Sheet |
![]() Negotiable |
|
||||
![]() |
![]() SKIIP13NEL063I |
![]() Other |
![]() |
![]() Data Sheet |
![]() Negotiable |
|
||||
![]() |
![]() SKIIP30NAB06 |
![]() Other |
![]() |
![]() Data Sheet |
![]() Negotiable |
|
||||
![]() |
![]() SKIIP30NAB12T10 |
![]() Other |
![]() |
![]() Data Sheet |
![]() Negotiable |
|
||||
![]() |
![]() SKIIP312GD120-302WT |
![]() Other |
![]() |
![]() Data Sheet |
![]() Negotiable |
|
||||
(China (Mainland))








