Product Summary
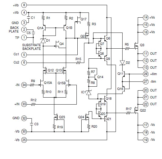
The MP1088DF-LF-Z operational amplifier is a surface mount constructed component that provides a cost effective solution in many industrial applications. The MP1088DF-LF-Z offers outstanding performance that rivals much more expensive hybrid components yet has a footprint of only 4 sq in. The MP1088DF-LF-Z has many optional features such as four-wire current limit sensing and external compensation. The 300 kHz power bandwidth and 10 amp output of the MP1088DF-LF-Z makes it a good choice for piezo transducer drive applications. The MP1088DF-LF-Z is built on a thermally conductive but electrically insulating substrate that can be mounted to a heat sink.
Parametrics
MP1088DF-LF-Z absolute maximum ratings: (1)supply voltage: +VS to -VS 200V; (2)supply voltage +VB: +VS + 15V; (3)supply voltage -VB: -VS – 15V; (4)output current, peak: 12A, within SOA; (5)power dissipation, internal, DC: 100W; (6)input voltage: +VB to -VB; (7)temperature, pin solder, 10s: 225℃; (8)temperature, junction: 150℃; (9)temperature range, storage: -40 to 105℃; (10)operating temperature, case: -40 to 85℃.
Features
MP1088DF-LF-Z features: (1)low cost; (2)high voltage - 200 volts; (3)high output current - 10 Amps; (4)100 watt dissipation capability; (5)300kHz power bandwidth.
Diagrams

![]() |
![]() MP10 SERIES |
![]() Other |
![]() |
![]() Data Sheet |
![]() Negotiable |
|
||||||||||||
![]() |
![]() MP100 |
![]() CTS Electronic Components |
![]() Crystals 10.00000 MHz |
![]() Data Sheet |
![]()
|
|
||||||||||||
![]() |
![]() MP1000 |
![]() Other |
![]() |
![]() Data Sheet |
![]() Negotiable |
|
||||||||||||
![]() |
![]() MP10005 |
![]() Other |
![]() |
![]() Data Sheet |
![]() Negotiable |
|
||||||||||||
![]() |
![]() MP10005G |
![]() Other |
![]() |
![]() Data Sheet |
![]() Negotiable |
|
||||||||||||
![]() |
![]() MP10005G-G |
![]() Comchip Technology |
![]() Bridge Rectifiers MP8 GPP 10A 50V Rect. Bridge Diode |
![]() Data Sheet |
![]()
|
|
||||||||||||
(China (Mainland))









