Product Summary
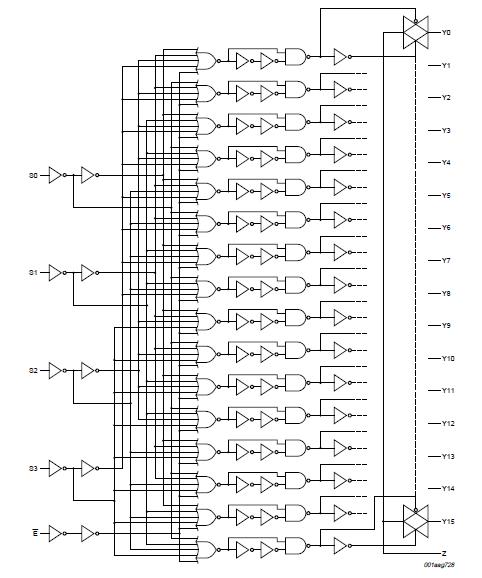
The 74HC4067D is a high-speed Si-gate CMOS device and is pin compatible with the HEF4067B. The device is specified in compliance with JEDEC standard no. 7A. The 74HC4067D is a 16-channel analog multiplexer/demultiplexer with four address inputs (S0 to S3), an active-LOW enable input (E), sixteen independent inputs/outputs (Y0 to Y15) and a common input/output (Z). The 74HC4067D contains sixteen bidirectional analog switches, each with one side connected to an independent input/output (Y0 to Y15) and the other side connected to a common input/output (Z). The applications of the device include Analog multiplexing and demultiplexing, Digital multiplexing and demultiplexing, Signal gating.
Parametrics
74HC4067D absolute maximum ratings: (1)VCC, supply voltage: -0.5 +11.0 V; (2)IIK, input clamping current, VI < -0.5 V or VI > VCC + 0.5 V: ±20 mA; (3)ISK, switch clamping current, VSW < -0.5 V or VSW > VCC + 0.5 V: ±20 mA; (4)ISW, switch current, VSW = -0.5 V to (VCC + 0.5 V): ±25 mA; (5)ICC, supply current: - 50 mA; (6)IGND, ground current: -50 mA; (7)Tstg, storage temperature: -65 to +150℃.
Features
74HC4067D features: (1)Low ON resistance: 80 W (typical) at VCC = 4.5 V; 70 W (typical) at VCC = 6.0 V; 60 W (typical) at VCC = 9.0 V; (2)n Typical ‘break before make’ built-in.
Diagrams

| Image | Part No | Mfg | Description | ![]() |
Pricing (USD) |
Quantity | ||||||||||||
|---|---|---|---|---|---|---|---|---|---|---|---|---|---|---|---|---|---|---|
![]() |
![]() 74HC4067D,652 |
![]() NXP Semiconductors |
![]() Multiplexer Switch ICs 16CH ANLG MUX/DEMUX |
![]() Data Sheet |
![]()
|
|
||||||||||||
![]() |
![]() 74HC4067D,653 |
![]() NXP Semiconductors |
![]() Multiplexer Switch ICs 16-CHANNEL ANALOG |
![]() Data Sheet |
![]()
|
|
||||||||||||
![]() |
![]() 74HC4067DB,118 |
![]() NXP Semiconductors |
![]() Multiplexer Switch ICs 16-CHANNEL ANALOG |
![]() Data Sheet |
![]()
|
|
||||||||||||
![]() |
![]() 74HC4067DB,112 |
![]() NXP Semiconductors |
![]() Multiplexer Switch ICs 16-CHANNEL ANALOG |
![]() Data Sheet |
![]()
|
|
||||||||||||
![]() |
![]() 74HC4067DB-T |
![]() NXP Semiconductors |
![]() Multiplexer Switch ICs 16-CHANNEL ANALOG MUX/DEMUX |
![]() Data Sheet |
![]() Negotiable |
|
||||||||||||
![]() |
![]() 74HC4067DB |
![]() NXP Semiconductors |
![]() Multiplexer Switch ICs 16-CHANNEL ANALOG MUX/DEMUX |
![]() Data Sheet |
![]() Negotiable |
|
||||||||||||
![]() |
![]() 74HC4067D-T |
![]() NXP Semiconductors |
![]() Multiplexer Switch ICs 16-CHANNEL ANALOG MUX/DEMUX |
![]() Data Sheet |
![]() Negotiable |
|
||||||||||||
(China (Mainland))









