Product Summary
The 6DI50Z-120 is a power transistor module. Applications of the 1DI300M-120 are AC motor control, air conditioners.
Parametrics
6DI50Z-120 absolute maximum ratings: (1)VcBO: 600V; (2)VCEO: 600V; (3)VcEO(SUS): 450V; (4)Vebo: 6V; (5)lc: 50A; (6)Icp: 100A; (7)- Ic: 50 A; (8)Ib: 3A; (9)I BP: 6A; (10)Pc: 230W; (11)Tj: + 150℃; (12)Tstg: - 40 to 125℃.
Features
6DI50Z-120 features: (1)High Arm Short Circuit Capability; (2)High DC Current Gain; (3)Including Freewheeling Diode; (4)I6licff2 Insulated Type.
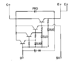
Diagrams

(China (Mainland))






