Product Summary
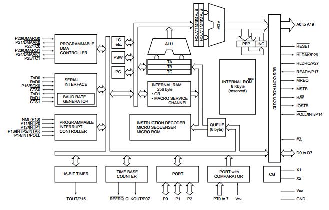
The UPD70325GJ-8-5BG is a single-chip microcontroller on which 16-bit CPU, RAM, serial interface, timer, DMA controller, interrupt controller, etc. are all integrated. The UPD70325GJ-8-5BG is software compatible with the 16/8-bit single-chip microcontroller. The V25+ greatly improves the DMA responsivity and transfer rate compared to the V25.
Parametrics
UPD70325GJ-8-5BG absolute maximum ratings: (1)Supply Voltage, VDD: -0.5 to +7.0 V; VTH: -0.5 to VDD +0.5 V; (2)Input Voltage, VI: -0.5 to VDD +0.5 V; (3)Output Voltage, VO: -0.5 to VDD +0.5 V; (4)Output Current Low, IOL: Each output pin 4.0 mA; Total: 50 mA; (5)Output Current High, IOH: Each output pin -2.0 mA; Total: -20 mA; (6)Operating Ambient Temperature, TA: -10 to +70℃; (7)Storage Temperature, Tstg: -65 to +150℃.
Features
UPD70325GJ-8-5BG features: (1)Software compatible with V25; (2)Software compatible with μPD70108/70116 (in native mode) (some instructions added); (3)Internal 16-bit architecture and external 8-bit data bus; (4)3-stage pipeline method; (5)Minimum instruction cycle: 250 ns/8 MHz (external 16 MHz); 200 ns/10 MHz (external 20 MHz); (6)Memory space 1 Mbyte; (7)On-chip RAM: 256 words ×8 bits; (8)Register bank (memory mapped method): 8 banks; (9)Input port (port T) with comparator: 8 bits; (10)I/O lines (input port: 4 bits, input/output ports: 20 bits); (11)Serial interface: 2 channels, Internal dedicated baud rate generator; Asynchronous mode and I/O interface mode; (12)Interrupt controller, Programmable priority (8 levels); 3 types of interrupt response method Vectored interrupt function, register bank switching function, macro service function; (13)DRAM and pseudo SRAM refreshing function; (14)DMA controller: 2 channels; (15)4 types of DMA transfer mode; Transfer rate Maximum 4 Mbytes/second (when stop control is not executed by DMARQ pin in demand release mode; Maximum 2 Mbytes/second (when stop control is executed by DMARQ pin in demand release mode, or burst mode); Address pointer (linear): 20 bits; Terminal counter: 16 bits; (16)16-bit timer: 2 channels; (17)Time base counter (20 bits): 1 channel; (18)On-chip clock generator; (19)Programmable wait function; (20)Standby function (STOP, HALT).
Diagrams

![]() |
![]() UPD70008AG-4 |
![]() Other |
![]() |
![]() Data Sheet |
![]() Negotiable |
|
||||
![]() |
![]() UPD70236AGD-10-5BB |
![]() Other |
![]() |
![]() Data Sheet |
![]() Negotiable |
|
||||
![]() |
![]() UPD7030025AGC-25 |
![]() Other |
![]() |
![]() Data Sheet |
![]() Negotiable |
|
||||
![]() |
![]() UPD703014A |
![]() Other |
![]() |
![]() Data Sheet |
![]() Negotiable |
|
||||
![]() |
![]() UPD703014AY |
![]() Other |
![]() |
![]() Data Sheet |
![]() Negotiable |
|
||||
![]() |
![]() UPD703015A |
![]() Other |
![]() |
![]() Data Sheet |
![]() Negotiable |
|
||||
(China (Mainland))








