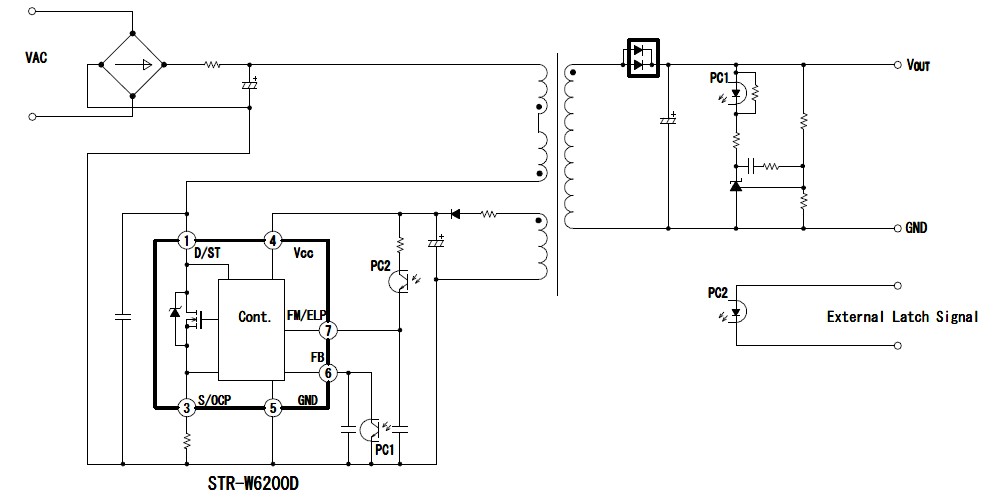
Product Summary
The STR-W6252 is a power IC for switching power supplies, incorporating a power MOSFET and a current-mode type PWM controller IC. The STR-W6252 is accomplished by the automatic switching between the PWM operation in normal operation and the burst-oscillation under light load condition. The STR-W6252 achieves high cost-performance power supply systems with few external components.
Parametrics
STR-W6252 absolute maximum ratings: (1)fOSC: 67kHz; (2)MOSFET VDSS: 650V; (3)RDS(ON)(MAX): 2.8Ω.
Features
STR-W6252 features: (1)Current-Mode Type PWM Control; (2)PWM with Jittering Function; (3)Auto-Standby Function; (4)Built-in Startup Circuit, enabling low power consumption; (5)Overcurrent Protection (OCP)with Built-in Input Compensation Circuit; (6)Overload Protection (OLP)with Built-in Delay Timer ( the delay time is adjustable by an external capacitor); (7)External Latch Protection (ELP); (8)Bias-Assist Function, reducing operating VCC voltage drop; (9)Leading Edge Blanking Function; (10)Slope Compensation Function; (11)Built-in Avalanche Energy Guaranteed High-Voltage Power MOSFET.
Diagrams

| Image | Part No | Mfg | Description | ![]() |
Pricing (USD) |
Quantity | ||||
|---|---|---|---|---|---|---|---|---|---|---|
![]() |
![]() STR-W6252 |
![]() Other |
![]() |
![]() Data Sheet |
![]() Negotiable |
|
||||
![]() |
![]() STR-W6252D |
![]() Other |
![]() |
![]() Data Sheet |
![]() Negotiable |
|
||||
(China (Mainland))









