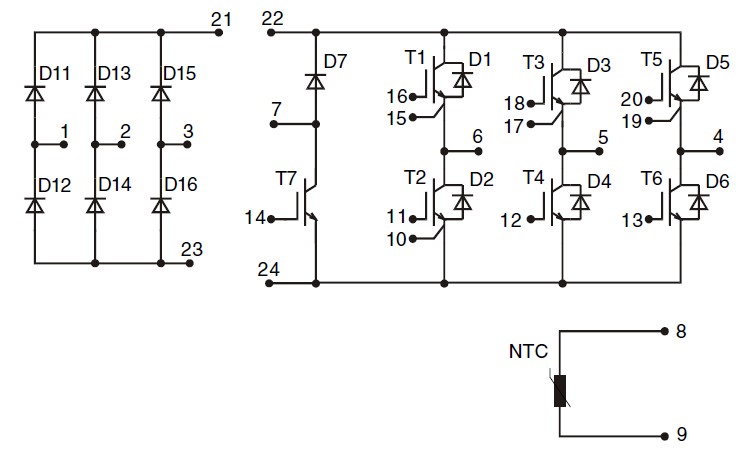
Product Summary
The MUBW15-12A7 is a converter - brake - inverter module. The applications of the MUBW15-12A7 include: (1)Input from single or three phase grid; (2)Three phase synchronous or asynchronous motor; (3)electric braking operation.
Parametrics
MUBW15-12A7 absolute maximum ratings: (1)On the condition of TVJ = 25℃ to 150℃, VCES: 1200V; (2)VGES: ±20V; (3)VGEM: ±30V; (4)On the condition of TC = 25℃, IC25: 50A; (5)On the condition of TC = 80℃, IC80: 35A; (6)On the condition of VGE =±15 V; RG = 47Ω; TVJ = 125℃, Clamped inductive load; L = 100μH, RBSOA: ICM = 50A VCEK ≤ VCES; (7)On the condition of VCE = VCES; VGE =±15V; RG = 47Ω; TVJ = 125℃ non-repetitive, tSC(SCSOA): 10μs; (8)On the condition of TC = 25℃, Ptot: 225W.
Features
MUBW15-12A7 features: (1)High level of integration - only one power semiconductor module required for the whole drive; (2)Fast rectifier diodes for enhanced EMC behaviour; (3)NPT IGBT technology with low saturation voltage, low switching losses, high RBSOA and short circuit ruggedness; (4)Epitaxial free wheeling diodes with Hiperfast and soft reverse recovery; (5)Industry standard package with insulated copper base plate and soldering pins for PCB mounting; (6)Temperature sense included.
Diagrams

| Image | Part No | Mfg | Description | ![]() |
Pricing (USD) |
Quantity | ||||||
|---|---|---|---|---|---|---|---|---|---|---|---|---|
![]() |
![]() MUBW15-12A7 |
![]() Ixys |
![]() Discrete Semiconductor Modules 15 Amps 1200V |
![]() Data Sheet |
![]() Negotiable |
|
||||||
| Image | Part No | Mfg | Description | ![]() |
Pricing (USD) |
Quantity | ||||||
![]() |
![]() MUBW100-06A8 |
![]() Ixys |
![]() Discrete Semiconductor Modules 100 Amps 600V |
![]() Data Sheet |
![]() Negotiable |
|
||||||
![]() |
![]() MUBW10-06A6 |
![]() |
![]() MODULE IGBT CBI E1 |
![]() Data Sheet |
![]()
|
|
||||||
![]() |
![]() MUBW10-06A6K |
![]() Ixys |
![]() Discrete Semiconductor Modules NPT IGBT 600V, 10A |
![]() Data Sheet |
![]() Negotiable |
|
||||||
![]() |
![]() MUBW10-06A7 |
![]() Ixys |
![]() Discrete Semiconductor Modules 10 Amps 600V |
![]() Data Sheet |
![]() Negotiable |
|
||||||
![]() |
![]() MUBW10-12 |
![]() Other |
![]() |
![]() Data Sheet |
![]() Negotiable |
|
||||||
![]() |
![]() MUBW10-12A6 |
![]() Other |
![]() |
![]() Data Sheet |
![]() Negotiable |
|
||||||
(China (Mainland))










